| D f1 0.5± | اس 3 0.05 ± | D o | D1 | اس f1 | ب 05± | ||
| 44 | 3.5 | 36 | -0.15 -0.10 | 30 | 3 | -0.15 -0.10 | 40 |
| 45 | 4 | -0.03 -0.08 | 30 | ||||
| 60 | 3.5 | 41 | -0.13 -0.08 | 35 | -0.09 -0.15 | 42 | |
| 52 | 4 | 0 -0.05 | 35 | ||||
| 54 | 3.5 | 42 | -0.10 -0.05 | 3.5 | -0.02 -0.07 | 30 | |
| 60 | 4.52 | 44 | -0.14 -0.09 | 40 | 2 | -0.03 -0.08 | 39.5 |
| 53 | 4.5 | 40 | |||||
| 60 | 4 | 39.5 | |||||
| 66 | 4 | 45 | 2.4 | 40 | |||
| 60 | 4.5 | 46 | 8 | 3 | 39.5 | ||
| 61 | 4 | 0 -0.05 | 40 | ||||
| 62 | 4 | 47 | -0.13 -0.07 | 3.5 | -0.08 -0.13 | 49 | |
| 70 | 4.5 | 54 | -0.19 -0.14 | 50 | 2 | -0.03 -0.08 | 53 |
| 68 | 4.52 | 54.9 | -0.045 -0.005 | 48 | 3.5 | -0.045 -0.095 | 41.3 |
| 70 | 3.5 | 56 | -0.16 -0.11 | 50 | 3 | -0.09 -0.14 | 48 |
| 76 | 3.5 | 57 | -0.10 -0.05 | 3.5 | 0.01 -0.04 | 54 | |
| 70.5 | 8 | 58 | -0.14 -0.09 | 4 | -0.11 -0.16 | 46 | |
| 92 | 4.52 | 60.6 | -0.03 -0.02 | 54.4 | 3.1 | 0.02 -0.03 | 59 |
| 87 | 4.5 | 67 | -0.15 -0.10 | 60 | 3.5 | -0.06 -0.11 | 60 |
| 77 | 4.5 | -0.08 -0.13 | 65 | ||||
| 88 | 8 | 68 | 4 | -0.075 -0.125 | 58 | ||
| D f1 0.5± | اس 3 0.05 ± | D o | D 1 | اس f1 | ب 05± | ||
| 88 | 4.5 | 68 | 0.15 0.10 | 60 | 4 | -0.07 -0.12 | 60 |
| 87 | 4.5 | 69 | 0.19 0.14 | 65 | 2 | -0.03 -0.08 | 64.5 |
| 103 | 4.52 | 70.7 | 0.09 -0.04 | 63.7 | 3.5 | 0 -0.05 | 65 |
| 103 | 4.52 | 63.3 | 3.7 | 0.01 -0.04 | 73 | ||
| 86.4 | 4.5 | 72 | 0.15 0.09 | 65 | 3.5 | -0.08 -0.13 | 64.5 |
| 95 | 4.52 | 0.27 0.21 | -0.045 -0.095 | 71.5 | |||
| 95 | 3.5 | 0.09 0.03 | -0.015 -0.065 | 64 | |||
| 108 | 3.5 | -0.03 -0.08 | 75 | ||||
| 87 | 4.5 | 0.11 0.06 | 0.01 -0.04 | 53 | |||
| 95 | 4.52 | 0.27 0.21 | -0.045 -0.095 | 67.5 | |||
| 99 | 4.5 | 74 | 0.19 0.14 | 70 | 2 | -0.03 | 74 |
| 112 | 4.6 | 77 | 0.27 0.21 | 3.5 | -0.08 | 89.5 | |
| 95 | 4.5 | 0.14 0.09 | -0.04 -0.10 | 72 | |||
| 112 | 4.52 | 0.27 0.21 | -0.005 -0.055 | 89.7 | |||
| 93 | 6 | 78 | 0.15 0.09 | 4 | -0.09 -0.14 | 71 | |
| 93 | 8 | 80 | 0.16 0.10 | 5 | -0.075 -0.125 | 70 | |
| 107 | 4.5 | 83 | 75 | 4 | -0.07 -0.13 | 74 | |
| 97 | 10 | 85 | 0.17 0.12 | 5 | -0.10 -0.16 | 79.5 | |
| 97 | 5 | 0.155 0.095 | 70 | ||||
| 120 | 3.8 | 92.6 | 0.16 0.09 | 85 | 3.8 | 0.06 0 | 93 |
| 120 | 6 | 93 | 4 | -0.11 -0.17 | 94 | ||
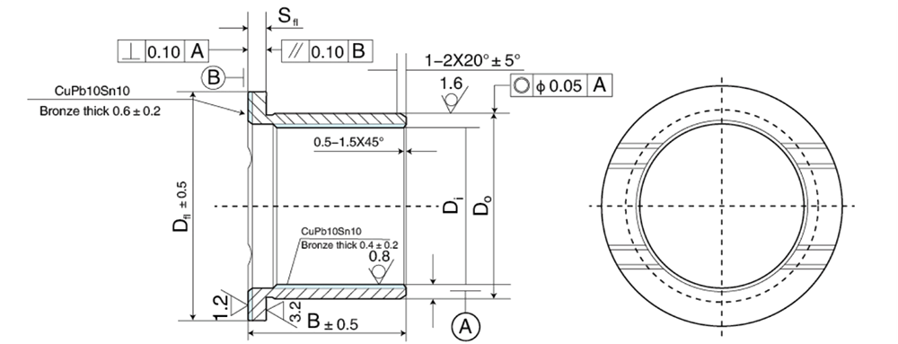
اندازه های ذکر شده در بالا فقط برای مرجع هستند، HZ می تواند قطعات را طبق نقشه های مشتریان تولید کند.

ما ظرف 12 ساعت از روز کاری به شما پاسخ خواهیم داد.
Huazhou در تحقیق و توسعه، تولید، فروش و خدمات محصولات بلبرینگ خود روان کننده به عنوان یکی از شرکت های بزرگ جامع تخصص دارد.
Huazhou مجهز به تجهیزات و پرسنل پیشرفته تحقیق و توسعه است و دارای بیش از 200 مجموعه تجهیزات در اندازه های مختلف از جمله دستگاه های کویلینگ، دستگاه های پانچ، دستگاه های پخ تمام اتوماتیک، دستگاه های کلاف تمام اتوماتیک، خطوط پخت مواد اولیه و غیره است. همچنین مجهز به هزاران مجموعه از ابزارهای سنگ زنی است که به ارتفاع محصولات سنگ زنی رسیده است. نمونه ها در 3 روز با خروجی روزانه 500000 قطعه و خروجی سالانه صدها میلیون قطعه تولید می شوند.
معرفی بیش از 260 تجهیزات ویژه، مجهز به ده ها هزار قالب، بیش از 150 متخصص و 30 خط تولید اتوماتیک.
فروش محصولات ما در استان های مختلف چین و به طور گسترده در صنایع مختلف ماشین آلات، فولکس واگن، بی وای دی و غیره استفاده می شود و با استانداردهای بین المللی، صادرات به روسیه، مالزی، تاسانیا، عراق، رومانی و 16 کشور دیگر را دارد.
